switch-disconnectors DHS 6-063 NUS
- Rated voltage/current: 230 V, 400 V (AC) / 63 A
- Contact assignment: 4 NO
- large connection terminals up to 50 mm²


Details
switch-disconnectors, 63 A, 4 NO, mains monitoring with N-sensor
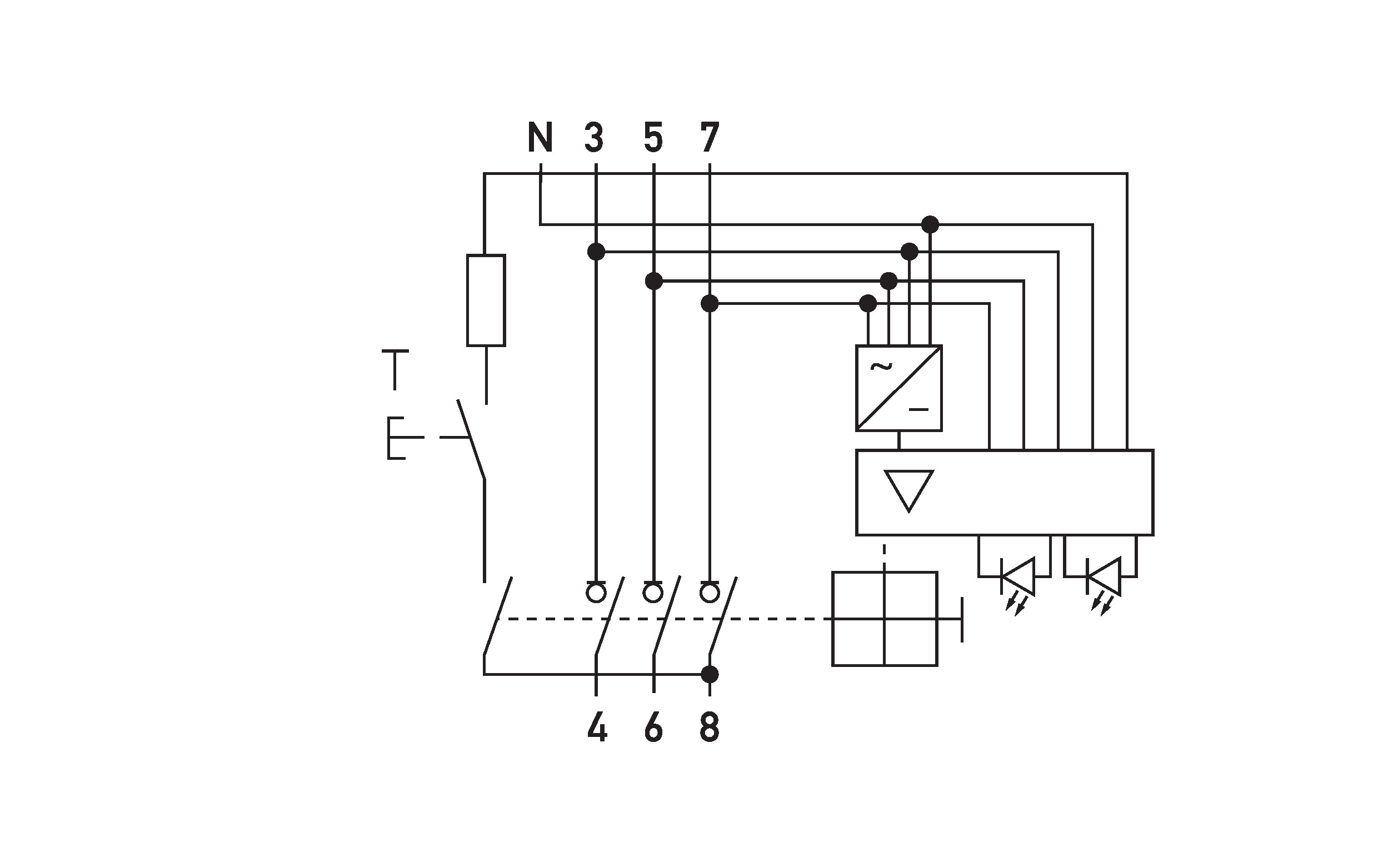
Switch-disconnectors and main switches disconnect electrical consumers or system parts completely from the electrical supply at all terminals. They also switch under load or in the event of overload. They are used to switch off electrical consumers for maintenance work and to protect the system. Thanks to the mains monitoring function, our NUS switch-disconnectors also trip in the event of input-side mains disturbances, such as a neutral conductor interruption. This reliably protects electrical equipment against overvoltage damage. The sensor input monitors the potential of the neutral conductor of the mains supply. In the event of a fault, only the phases are switched.
high short-circuit resistance and high switching capacity, double-sided two-tier terminals for large conductor cross-section and busbars, switch position indicator
quick fastening to mounting rail, any installation position
especially suitable for use in main distribution boards in power supplies to large areas, such as campsites, marinas, allotment gardens and showrooms.
In practice, load switches, disconnectors and switch-disconnectors are used as main switches under EN 60947-3. The load switch must switch on, direct and switch off currents under operating conditions in the circuit (including a fixed operation-compatible overload). When switched off, no isolating function is required. A load switch is therefore not suitable for safe disconnection as understood in international installation regulations. Disconnectors must meet the required criteria for an isolating function when switched off, but must switch only currents of insignificant size during operation. The combination of both designs is known as a switch-disconnector, which combines both properties in one and can therefore be used universally for the safe release of electrical systems.
- Data sheet DHS 6-063 NUS
- Operating instructions
- Prospectus Focus on the neutral conductor. Switching devices with mains monitoring
- Prospectus Installation recommendation switching devices with mains monitoring
- Text for invitation to tender RTF
- Text for invitation to tender GAEB XML
- Text for invitation to tender GAEB 2000
- Text for invitation to tender GAEB 90
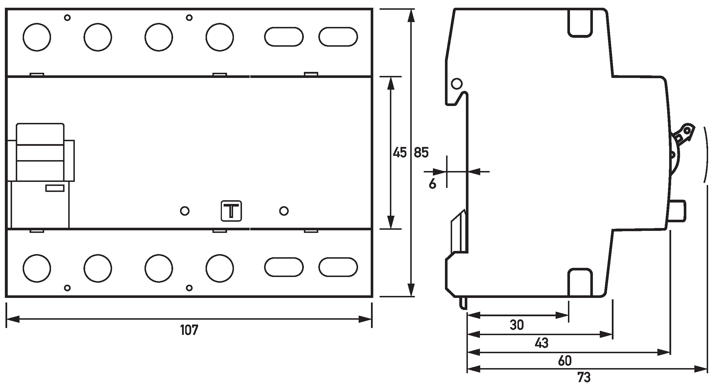
- Dimensional drawing Group view
- Wiring diagram
- Product video Mains monitoring with the new DFS NU and DHS NU/NUS
switch-disconnectors, 63 A, 4 NO, mains monitoring with N-sensor
Switch-disconnectors and main switches disconnect electrical consumers or system parts completely from the electrical supply at all terminals. They also switch under load or in the event of overload. They are used to switch off electrical consumers for maintenance work and to protect the system. Thanks to the mains monitoring function, our NUS switch-disconnectors also trip in the event of input-side mains disturbances, such as a neutral conductor interruption. This reliably protects electrical equipment against overvoltage damage. The sensor input monitors the potential of the neutral conductor of the mains supply. In the event of a fault, only the phases are switched.
high short-circuit resistance and high switching capacity, double-sided two-tier terminals for large conductor cross-section and busbars, switch position indicator
quick fastening to mounting rail, any installation position
especially suitable for use in main distribution boards in power supplies to large areas, such as campsites, marinas, allotment gardens and showrooms.
In practice, load switches, disconnectors and switch-disconnectors are used as main switches under EN 60947-3. The load switch must switch on, direct and switch off currents under operating conditions in the circuit (including a fixed operation-compatible overload). When switched off, no isolating function is required. A load switch is therefore not suitable for safe disconnection as understood in international installation regulations. Disconnectors must meet the required criteria for an isolating function when switched off, but must switch only currents of insignificant size during operation. The combination of both designs is known as a switch-disconnector, which combines both properties in one and can therefore be used universally for the safe release of electrical systems.
- Data sheet DHS 6-063 NUS
- Operating instructions
- Prospectus Focus on the neutral conductor. Switching devices with mains monitoring
- Prospectus Installation recommendation switching devices with mains monitoring
- Text for invitation to tender RTF
- Text for invitation to tender GAEB XML
- Text for invitation to tender GAEB 2000
- Text for invitation to tender GAEB 90
- Dimensional drawing Group view
- Wiring diagram
- Product video Mains monitoring with the new DFS NU and DHS NU/NUS
