Ortsveränderliche Fehlerstromschutzeinrichtungen DPRCD-M1L


Ortsveränderliche Fehlerstromschutzeinrichtungen DPRCD-M1L
Produktdetails
PRCD-Modul, dreipolig, 40 A, 0,03 A, Typ B, ohne Linksdrehfeldverriegelung
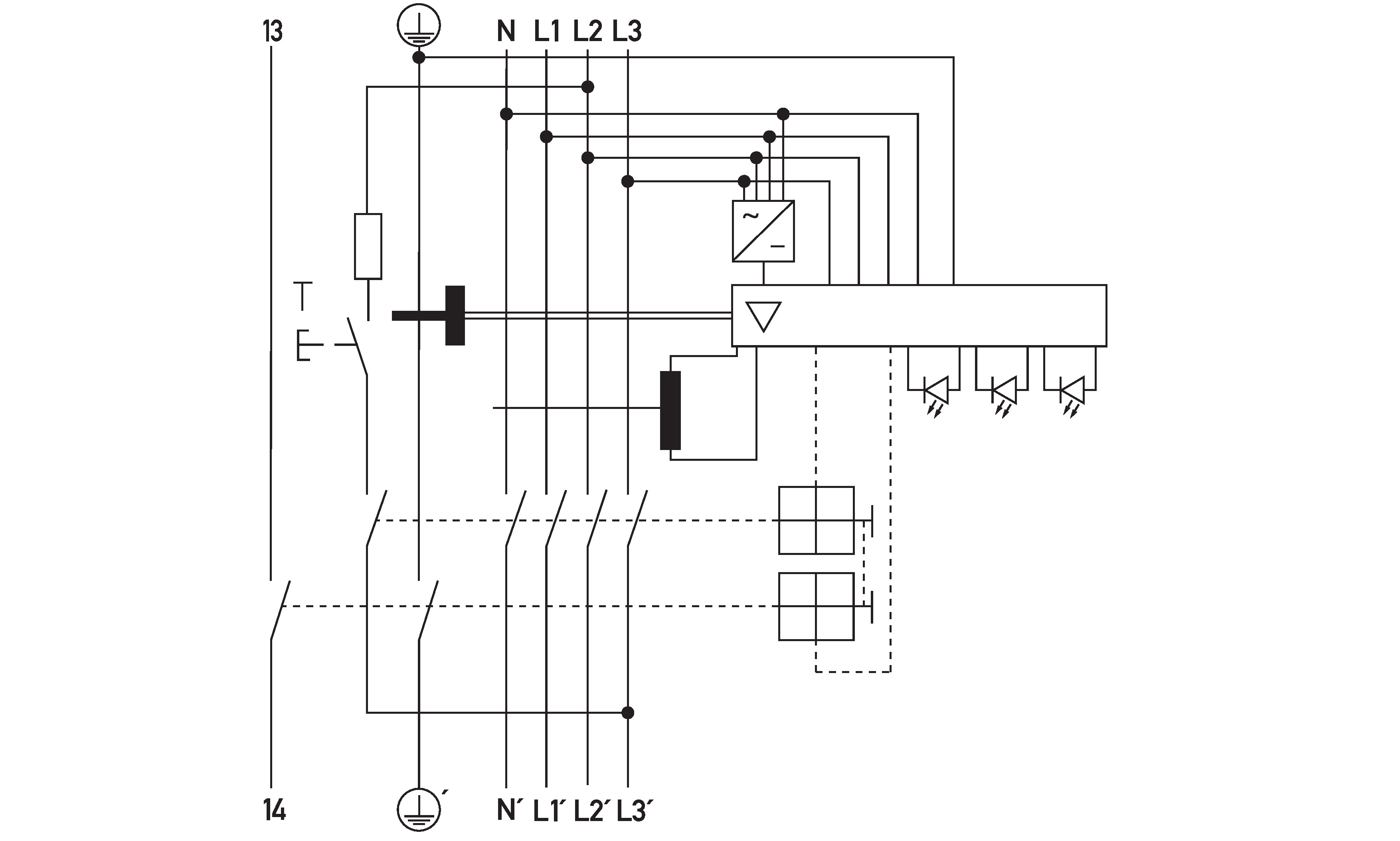
PRCD (Portable Residual Current Devices) sind ortsveränderliche Fehlerstromschutzeinrichtungen, die für den zusätzlichen Schutz an vorhandenen Elektroinstallationen mit unbekannter oder unzureichender Schutzmaßnahme verwendet werden. Sie kombinieren Fehlerstromschutz, Unterspannungsauslösung und Neutralleiterüberwachung. Mit geschaltetem Schutzleiter bieten sie zudem eine Schutzleiterüberwachung. Geräte der Baureihe DPRCD-M sind Basiskomponenten zur Herstellung einer dreiphasigen Personenschutzeinrichtung PRCD. Sie eignen sich zur Hutschienenmontage und sind kompatibel mit den Gehäusen namhafter Hersteller. Auf nur 8 TE kombinieren die Geräte eine allstromsensitive Fehlerstromschutzeinrichtung mit einer Netzleiter- und Schutzleiterüberwachung. Durch eine 6-mA-DC-Erkennung sichert das Gerät zudem die Schutzfunktion vorgeschalteter Fehlerstromschutzschalter. DPRCD-M sind allstromsensitiv bei Fehlerströmen ab 0 Hz. Sie sind erhöht stoßstrom- und gewitterfest. Produkte der Variante MxL ohne Linksdrehfeldverriegelung ermöglichen das Einschalten des Geräts auch bei Anliegen eines Linksdrehfeldes.
Basiskomponente zum Aufbau einer PRCD, beinhaltet Fehlerstromerfassung, Unterspannungsauslösung, Netz- und Schutzleiterüberwachung, Auslöseschwelle von 6 mA bei glatten Gleichfehlerströmen, hohe Kurzschlussfestigkeit, beidseitige Doppelstockklemmen für großen Leiterquerschnitt und Schienenanschluss, Schaltstellungsanzeige, Sichtfenster für Beschriftungsetiketten, Multifunktionsschaltknebel mit drei Positionen: "ein", "aus", "ausgelöst"
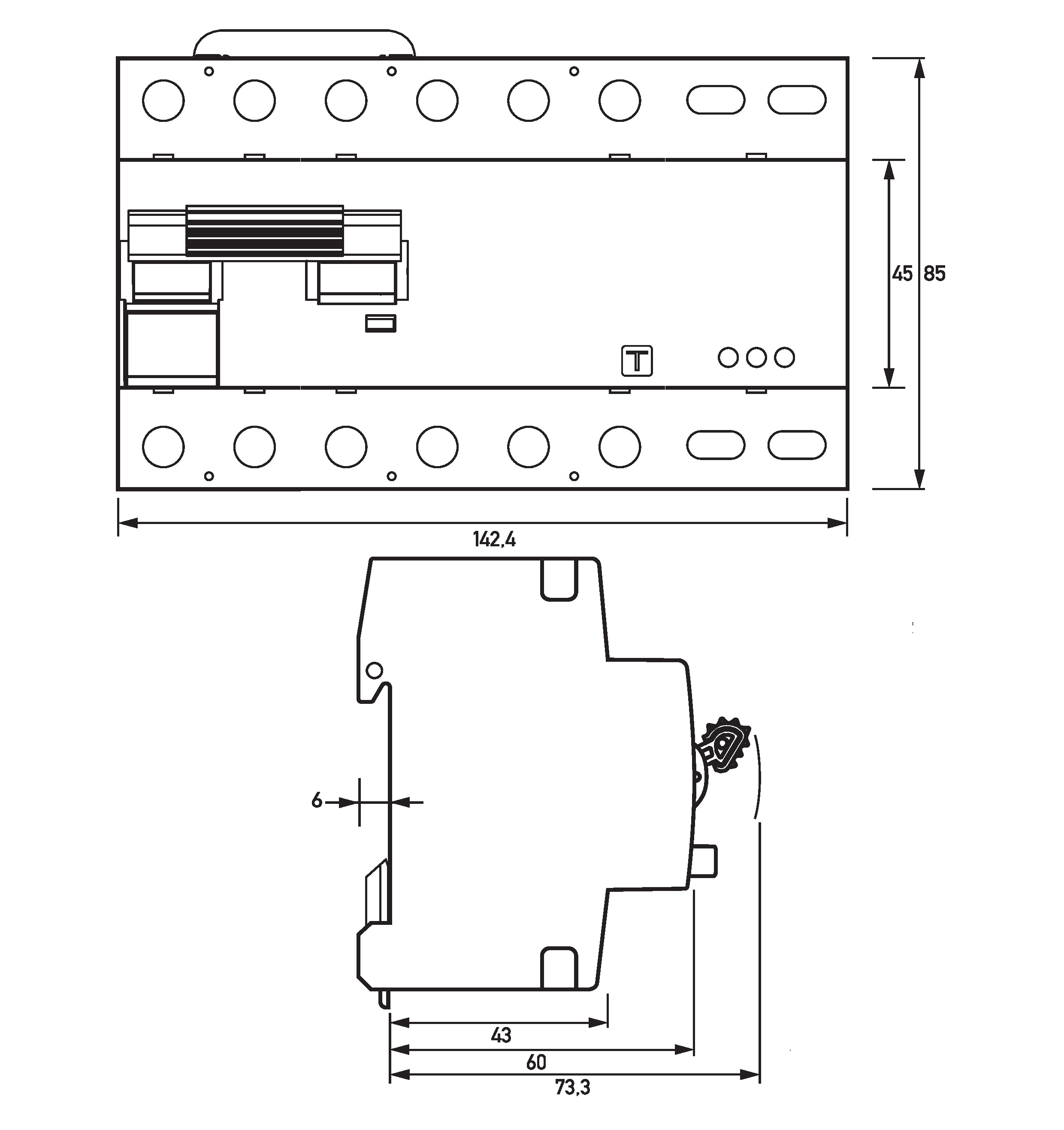
Schnellbefestigung auf Tragschiene, Einbaulage beliebig, Einspeisung von oben
PRCDs kommen in mobilen Anwendungen zum Einsatz, bei denen die Schutzmaßnahme der vorgeschalteten Elektroinstallation unbekannt oder nicht ausreichend ist, z. B. auf Baustellen, bei Veranstaltungen oder bei Rettungseinsätzen.
DPRCD-M ist die Basiskomponente einer dreiphasigen PRCD. Das Gehäuse ist nicht im Lieferumfang enthalten. DPRCD-M ist kompatibel mit vielen Gehäusen namhafter Hersteller.
PRCD-Modul, dreipolig, 40 A, 0,03 A, Typ B, ohne Linksdrehfeldverriegelung
PRCD (Portable Residual Current Devices) sind ortsveränderliche Fehlerstromschutzeinrichtungen, die für den zusätzlichen Schutz an vorhandenen Elektroinstallationen mit unbekannter oder unzureichender Schutzmaßnahme verwendet werden. Sie kombinieren Fehlerstromschutz, Unterspannungsauslösung und Neutralleiterüberwachung. Mit geschaltetem Schutzleiter bieten sie zudem eine Schutzleiterüberwachung. Geräte der Baureihe DPRCD-M sind Basiskomponenten zur Herstellung einer dreiphasigen Personenschutzeinrichtung PRCD. Sie eignen sich zur Hutschienenmontage und sind kompatibel mit den Gehäusen namhafter Hersteller. Auf nur 8 TE kombinieren die Geräte eine allstromsensitive Fehlerstromschutzeinrichtung mit einer Netzleiter- und Schutzleiterüberwachung. Durch eine 6-mA-DC-Erkennung sichert das Gerät zudem die Schutzfunktion vorgeschalteter Fehlerstromschutzschalter. DPRCD-M sind allstromsensitiv bei Fehlerströmen ab 0 Hz. Sie sind erhöht stoßstrom- und gewitterfest. Produkte der Variante MxL ohne Linksdrehfeldverriegelung ermöglichen das Einschalten des Geräts auch bei Anliegen eines Linksdrehfeldes.
Basiskomponente zum Aufbau einer PRCD, beinhaltet Fehlerstromerfassung, Unterspannungsauslösung, Netz- und Schutzleiterüberwachung, Auslöseschwelle von 6 mA bei glatten Gleichfehlerströmen, hohe Kurzschlussfestigkeit, beidseitige Doppelstockklemmen für großen Leiterquerschnitt und Schienenanschluss, Schaltstellungsanzeige, Sichtfenster für Beschriftungsetiketten, Multifunktionsschaltknebel mit drei Positionen: "ein", "aus", "ausgelöst"
Schnellbefestigung auf Tragschiene, Einbaulage beliebig, Einspeisung von oben
PRCDs kommen in mobilen Anwendungen zum Einsatz, bei denen die Schutzmaßnahme der vorgeschalteten Elektroinstallation unbekannt oder nicht ausreichend ist, z. B. auf Baustellen, bei Veranstaltungen oder bei Rettungseinsätzen.
DPRCD-M ist die Basiskomponente einer dreiphasigen PRCD. Das Gehäuse ist nicht im Lieferumfang enthalten. DPRCD-M ist kompatibel mit vielen Gehäusen namhafter Hersteller.
